A few projects signed Simgraph

Each project is unique and created to answer our clients’ specific needs. Here are a few examples.

As part of their Strategic Equipment Certification process, Hydro-Québec requires their suppliers to include detailed training material. ABB has entrusted Simgraph with the development of e-learning modules, training aids and on-line reference manuals on their equipment.

Overview of the Project:

Following new US regulations, CN must integrate a Positive Train Control solution into their transportation system. The project requires significant investment to update their infrastructure and add new automatic train stop technologies, should conditions so warrant. Through a series of mandates, Simgraph produced 2D/3D animation videos of the adopted solution as well as several e-learning modules for personnel at all levels.

Overview of the Projects:

The implementation of a new Multi-banner Lead Management system requires the creation of training tools for employees to learn and adopt the system. The proposed bilingual solution is based on a hybrid approach of training videos, illustrated user guides customized to user groups, self-help reference cards and e-learning modules for Lowe's staff and affiliated contractors.

Overview of the Projects:

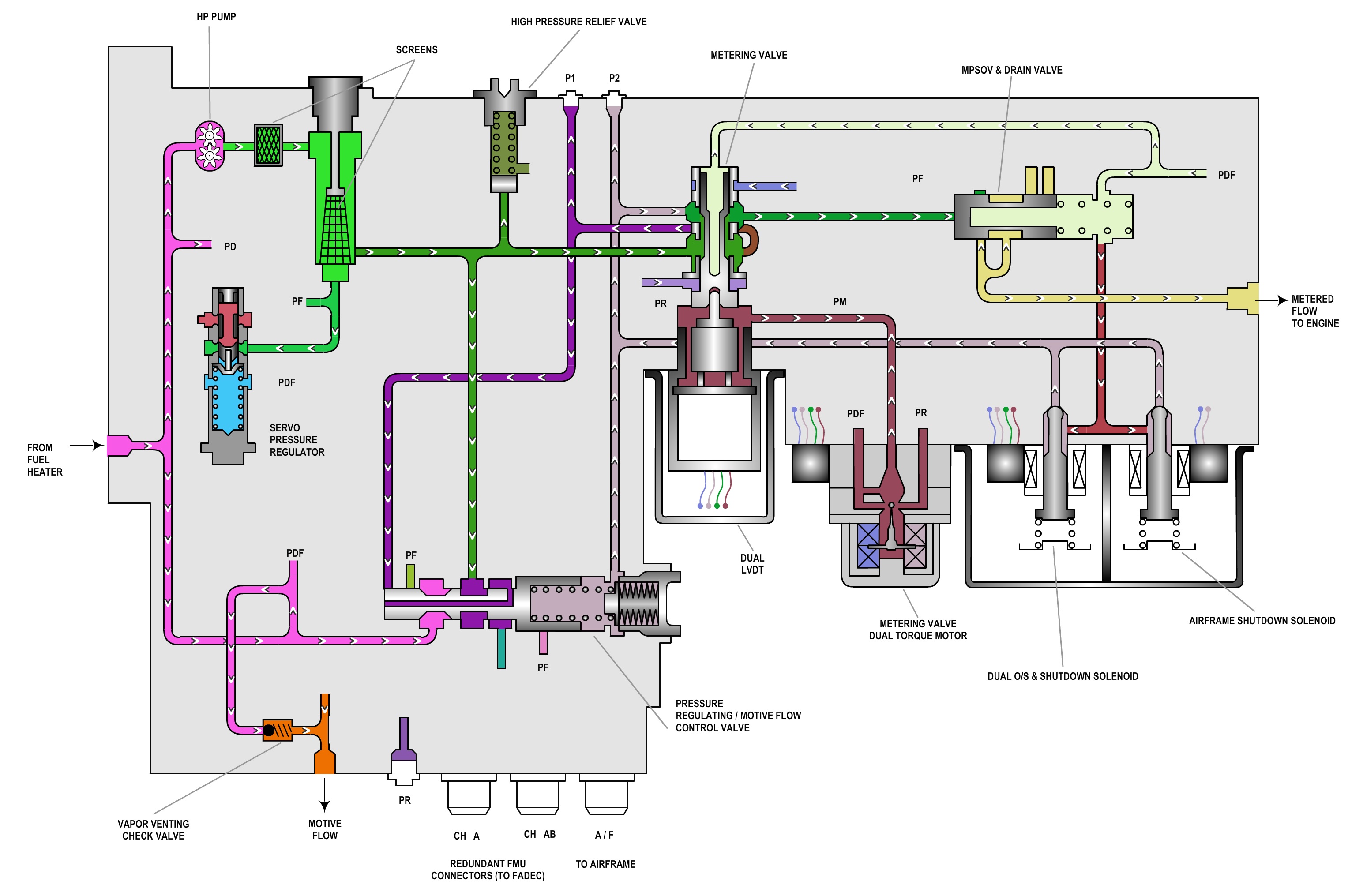
Since 2001, Simgraph has completed several training solution design mandates for both civil aviation (12 aircrafts) and military customers, as well as internal deployment of e-learning solutions. Simgraph's technical expertise at its best, our "Active Schematics" – or dynamic technical diagrams – integrate and complement the simulation solutions proposed by this world leader.

Overview of the Projects:

To stand out from the competition, Groupe Robert, a leader in the transportation industry, provides their drivers with numerous e-learning courses. The specific context of this industry supports a learning method that combines the traditional classroom method and self-training. The conversion of the existing teaching material, the creation of new contents and the hosting of the training courses are part of Simgraph’s on-going mandate. Eco-driving is one of several topics in Groupe Robert’s curriculum.

Overview of the Projects:

OTHER CUSTOMERS

Interested in our Services?

Do not hesitate to contact us for additional information or questions. We will be more than happy to assist you with your potential project and help you define the best solution.

Contact us